Дробилка GFSJ-16B
Характеристики
Производительность (кг/ч)
—
50-300 (зависит от материала и тонкости помола)
Мощность главного двигателя (кВт)
—
7,5
Напряжение (В)
—
380
Возможны дополнительные опции и варианты комплектации
Характеристики
|
Производительность (кг/ч)
|
50-300 (зависит от материала и тонкости помола) |
|
Мощность главного двигателя (кВт)
|
7,5 |
|
Напряжение (В)
|
380 |
|
Уровень шума (дБ)
|
<85 |
|
Максимальный размер исходного материала (мм)
|
≤10 (для бункера); ≤80 (для открытой воронки) |
|
Частота (Гц)
|
50 |
|
Скорость вращения шпинделя (об/мин)
|
1000/2400/4000 |
|
Высота разгрузки (мм)
|
600 |
|
Тонкость помола (меш)
|
12-120 |
|
Материал исполнения
|
Нержавеющая сталь SUS304 |
|
Частотная регулировка скорости (об/мин)
|
500-4000 |
|
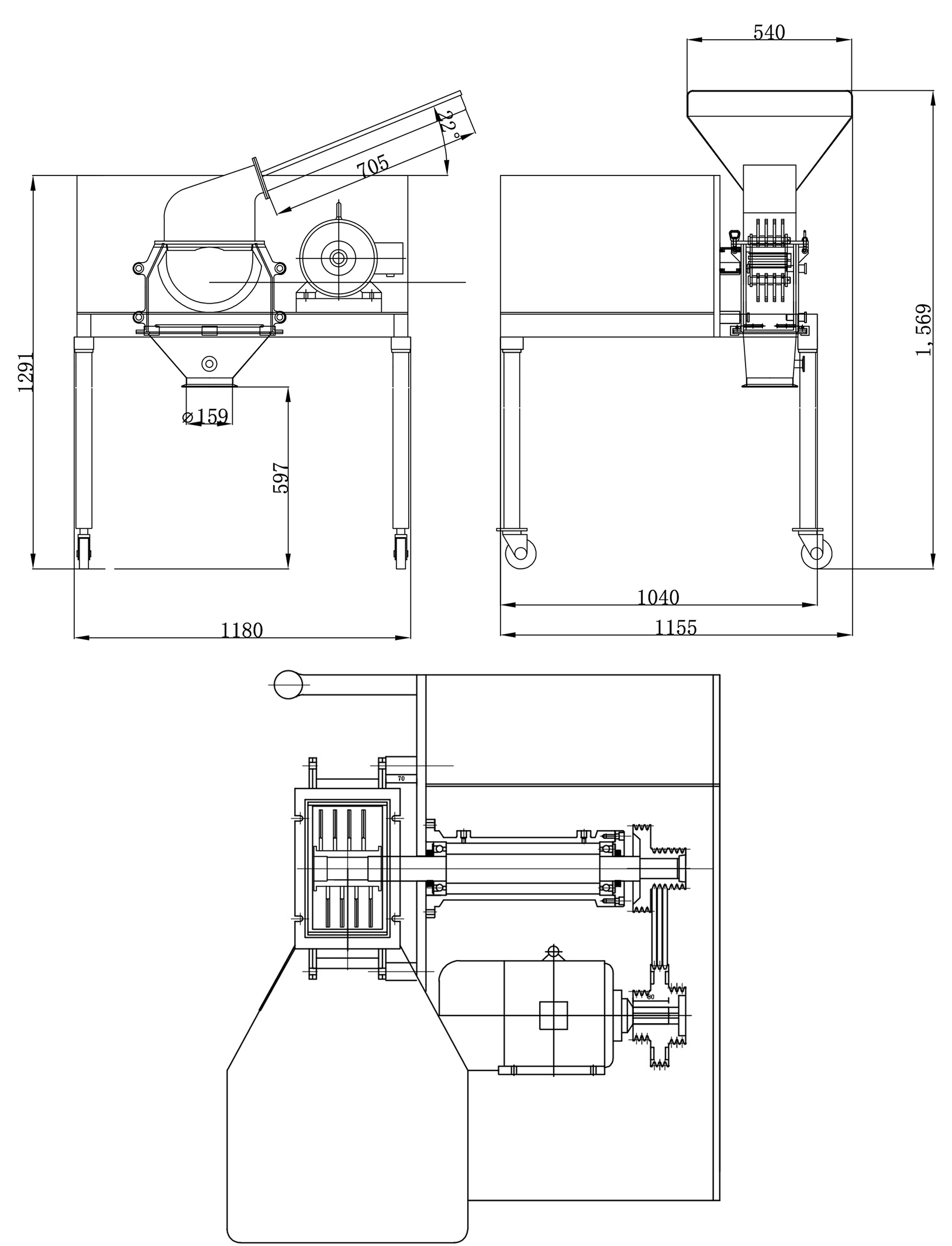
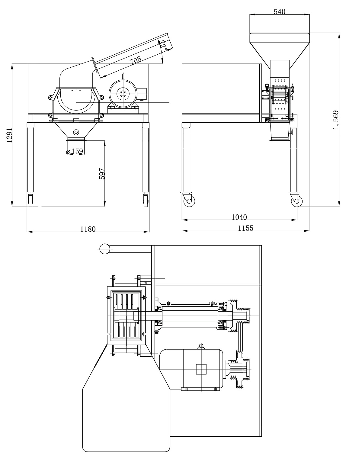
Габаритные размеры (мм)
|
1180 х 1155 х 1569 |
|
Вес (кг)
|
300 |
Вопросы и ответы
Что включает в себя цена?
Цена включает в себя стоимость оборудования и все расходы связанные с доставкой оборудования до нашего склада в г. Благовещенске (в том числе таможенные расходы).
Цена указана с учетом НДС.
Цена указана с учетом НДС.
Каким образом мы можем получить товар, если мы находимся в другом городе?
Доставка груза может осуществляться любой транспортной компанией на ваш выбор и может быть как «до дверей» так и до терминала ТК в вашем городе.
Входят ли пуско-наладочные работы в стоимость оборудования?
Пуско-наладочные работы в стоимость оборудования не входят и оплачиваются по отдельно выставленному счету, стоимость запуска можно уточнить с нашим менеджером.
Снимается ли гарантия при самостоятельном запуске оборудования?
Нет, мы не снимаем гарантию в этом случае.
Вас также может заинтересовать

